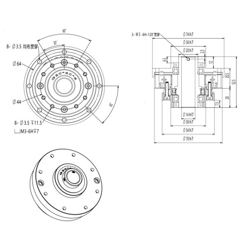
ตัวลดฮาร์มอนิกสำหรับหุ่นยนต์อุตสาหกรรมและเครื่องแกะสลัก: วิศวกรรมที่มีความแม่นยำในระดับที่ดีที่สุด ตัวลดฮาร์มอนิกเป็นส่วนประกอบที่สำคัญในระบบหุ่นยนต์อุตสาหกรรมและระบบแกะสลักสมัยใหม่ ซึ่งให้ความแม่นยำ ความน่าเชื่อถือ และประสิทธิภาพที่ยอดเยี่ยม ออกแบบมาเพื่อการใช้งานที่มีความแม่นยำสูง อุปกรณ์กลไกขั้นสูงนี้มีบทบาทสำคัญในการเพิ่มประสิทธิภาพของระบบหุ่นยนต์และอุปกรณ์แกะสลัก ไม่ว่าจะใช้ในสายการผลิตอัตโนมัติหรือการแกะสลักที่ซับซ้อน ตัวลดฮาร์มอนิกช่วยให้มั่นใจในการควบคุมการเคลื่อนไหวที่ราบรื่นและแม่นยำ ทำให้เป็นองค์ประกอบสำคัญในภูมิทัศน์ทางอุตสาหกรรมในปัจจุบัน ภาพรวม ตัวลดฮาร์มอนิกได้รับการออกแบบทางวิศวกรรมด้วยเทคโนโลยีล้ำสมัยเพื่อให้การส่งแรงบิดที่โดดเด่น การฟันเฟืองน้อยที่สุด และความแม่นยำในการหมุนสูง การออกแบบที่กะทัดรัดทำให้สามารถรวมเข้ากับเครื่องจักรต่างๆ ได้อย่างง่ายดาย ในขณะที่โครงสร้างที่ทนทานช่วยให้มั่นใจถึงประสิทธิภาพในระยะยาวภายใต้สภาวะงานหนัก ตัวลดมีกลไกเฟืองคลื่นที่เป็นเอกลักษณ์ซึ่งช่วยให้เคลื่อนไหวได้อย่างแม่นยำโดยไม่จำเป็นต้องใช้ชุดเฟืองที่ซับซ้อน ทำให้เหมาะสำหรับการใช้งานในพื้นที่จำกัดแต่ความแม่นยำเป็นสิ่งสำคัญ นอกจากนี้ ตัวลดฮาร์มอนิกยังทำงานเงียบๆ ซึ่งเป็นประโยชน์ในสภาพแวดล้อมที่ต้องลดระดับเสียงให้เหลือน้อยที่สุด คุณสมบัติหลัก ตัวลดฮาร์มอนิกมีชื่อเสียงในด้านความสามารถในการรักษาประสิทธิภาพที่สม่ำเสมอแม้ภายใต้สภาวะโหลดที่แตกต่างกัน มีความแข็งบิดสูง ความเฉื่อยต่ำ และการควบคุมการเคลื่อนไหวที่แม่นยำ ทำให้เป็นตัวเลือกที่ยอดเยี่ยมสำหรับการใช้งานที่ต้องการการวางตำแหน่งที่แม่นยำและการทำงานที่เชื่อถือได้ ชุดเกียร์ฮาร์มอนิก Open Center โดดเด่นด้วยการกำหนดค่าที่เป็นเอกลักษณ์ ช่วยให้จัดตำแหน่งและเชื่อมต่อกับส่วนประกอบอื่นๆ ได้ง่ายขึ้น คุณลักษณะนี้มีประโยชน์อย่างยิ่งในแอปพลิเคชันที่ข้อกังวลเรื่องพื้นที่จำกัด ตัวลดเกียร์ฮาร์มอนิกรูตรงกลางมีช่องเปิดตรงกลางที่ช่วยให้เพลาหรือสายเคเบิลผ่านได้สะดวก ช่วยเพิ่มความสามารถรอบด้าน ฮาร์มอนิกไดรฟ์ประเภทหมวก SHG ได้รับการออกแบบให้มีน้ำหนักเบาแต่แข็งแกร่ง ให้การส่งผ่านกำลังที่เหมาะสมที่สุดโดยไม่กระทบต่อความน่าเชื่อถือ คำอธิบายโดยละเอียด ตัวลดฮาร์มอนิกทำงานบนหลักการที่รวมความยืดหยุ่นและความแข็งแกร่งเข้าด้วยกัน ช่วยให้สามารถเคลื่อนที่เชิงมุมได้อย่างแม่นยำโดยมีการสึกหรอและการฉีกขาดน้อยที่สุด ต่างจากระบบเกียร์แบบเดิมซึ่งมักประสบกับฟันเฟืองและความไร้ประสิทธิภาพ ตัวลดฮาร์มอนิกใช้ร่องฟันที่ยืดหยุ่นเพื่อถ่ายโอนการเคลื่อนไหวด้วยความแม่นยำสูง การออกแบบนี้ไม่เพียงแต่ปรับปรุงประสิทธิภาพโดยรวมของระบบ แต่ยังช่วยลดความต้องการในการบำรุงรักษาเมื่อเวลาผ่านไปอีกด้วย ตัวลดขนาดมีจำหน่ายหลายขนาดและหลายรูปแบบ ทำให้เหมาะสำหรับการใช้งานทางอุตสาหกรรมทั้งขนาดเล็กและขนาดใหญ่ ชุดเกียร์ฮาร์มอนิก Open Center ให้อัตราส่วนการลดที่สูงในขณะที่ยังคงขนาดที่กะทัดรัด ทำให้เหมาะสำหรับใช้ในสภาพแวดล้อมที่จำกัดพื้นที่ ตัวลดเกียร์ฮาร์มอนิกรูกลางมีให้เลือกหลายรูปแบบ รวมถึงอัตราทดเกียร์และตัวเลือกการติดตั้งที่แตกต่างกัน ทำให้ผู้ใช้สามารถปรับแต่งผลิตภัณฑ์ตามความต้องการเฉพาะของตนได้ SHG Hat Type Harmonic Drive มักใช้ในการใช้งานที่จำเป็นต้องมีโปรไฟล์ที่แบนและกะทัดรัด เช่น ในข้อต่อหุ่นยนต์หรือเครื่องมือที่มีความแม่นยำ กรณีการใช้งาน ผลิตภัณฑ์เหล่านี้มีการใช้กันอย่างแพร่หลายในอุตสาหกรรมต่างๆ รวมถึงการผลิต ยานยนต์ และอิเล็กทรอนิกส์ โดยทั่วไปจะพบชุดเกียร์ฮาร์มอนิกแบบ Open Center ในสายการประกอบอัตโนมัติและระบบสายพานลำเลียง ซึ่งจำเป็นต้องมีการเคลื่อนไหวที่แม่นยำ ตัวลดเกียร์ฮาร์มอนิกรูตรงกลางมักจะถูกรวมเข้ากับแขนหุ่นยนต์และเครื่องจักร CNC ซึ่งให้ความแม่นยำและการควบคุมที่จำเป็น SHG Hat Type Harmonic Drive มักใช้ในอุปกรณ์ทางการแพทย์และอุปกรณ์การบินและอวกาศ ซึ่งความน่าเชื่อถือและประสิทธิภาพเป็นสิ่งสำคัญที่สุด ไม่ว่าคุณจะต้องการการออกแบบที่กะทัดรัดหรือโครงสร้างที่เปิดกว้างมากขึ้น ผลิตภัณฑ์เหล่านี้มีตัวเลือกมากมายเพื่อให้เหมาะกับความต้องการที่แตกต่างกัน คำติชมของผู้ใช้ ผู้ใช้ชื่นชมตัวลดฮาร์มอนิกสำหรับความแม่นยำ ความทนทาน และความง่ายในการบูรณาการ หลายๆ คนเน้นย้ำถึงการทำงานที่เงียบ ซึ่งมีความสำคัญอย่างยิ่งในสภาพแวดล้อมที่ต้องควบคุมเสียงรบกวน คนอื่นๆ ชื่นชมความสามารถในการรักษาประสิทธิภาพภายใต้ภาระหนักและการทำงานต่อเนื่อง การออกแบบที่กะทัดรัดและการทำงานที่มีประสิทธิภาพทำให้เป็นตัวเลือกยอดนิยมในหมู่วิศวกรและช่างเทคนิคที่กำลังมองหาโซลูชันการควบคุมการเคลื่อนไหวที่เชื่อถือได้ คำถามที่พบบ่อย ตัวลดฮาร์มอนิกคืออะไรและทำงานอย่างไร ตัวลดฮาร์มอนิกคือกลไกเกียร์ประเภทหนึ่งที่ใช้ร่องฟันที่ยืดหยุ่นเพื่อถ่ายโอนการเคลื่อนไหวด้วยความแม่นยำสูง ประกอบด้วยองค์ประกอบหลัก 3 ส่วน ได้แก่ เส้นโค้งวงกลมแบบแข็ง เส้นโค้งแบบยืดหยุ่น และเครื่องกำเนิดคลื่น เครื่องกำเนิดคลื่นทำให้ร่องฟันที่ยืดหยุ่นเสียรูปเล็กน้อย ช่วยให้หมุนได้อย่างแม่นยำโดยไม่ต้องใช้เกียร์แบบเดิม การออกแบบนี้ส่งผลให้มีความแม่นยำสูงและมีฟันเฟืองน้อยที่สุด เหตุใดตัวลดฮาร์มอนิกจึงมีความสำคัญในหุ่นยนต์อุตสาหกรรม ในหุ่นยนต์อุตสาหกรรม ตัวลดฮาร์มอนิกใช้เพื่อควบคุมการเคลื่อนไหวของข้อต่อและแขนของหุ่นยนต์ ความแม่นยำสูงและระยะฟันเฟืองต่ำทำให้เหมาะสำหรับการใช้งานที่ต้องการตำแหน่งที่แน่นอนและการเคลื่อนไหวที่ราบรื่น สิ่งนี้ทำให้มั่นใจได้ว่าหุ่นยนต์สามารถทำงานที่ซับซ้อนได้อย่างสม่ำเสมอและเชื่อถือได้ เครื่องแกะสลักลดฮาร์มอนิกมีประโยชน์อย่างไร? ในเครื่องแกะสลัก ตัวลดฮาร์มอนิกช่วยให้มั่นใจได้ว่าเครื่องมือแกะสลักจะเคลื่อนที่ด้วยความแม่นยำและความเสถียรสูง ผลลัพธ์ที่ได้คืองานแกะสลักที่มีรายละเอียดและมีคุณภาพสูง แม้บนพื้นผิวที่ซับซ้อน ขนาดกะทัดรัดและการออกแบบที่มีประสิทธิภาพของตัวลดยังช่วยให้รวมเข้ากับการตั้งค่าเครื่องจักรที่มีอยู่ได้ง่ายขึ้น ตัวลดฮาร์มอนิกสามารถใช้งานร่วมกับเครื่องจักรประเภทต่างๆ ได้หรือไม่ ใช่ ตัวลดฮาร์มอนิกได้รับการออกแบบมาให้เข้ากันได้กับอุปกรณ์อุตสาหกรรมหลายประเภท สามารถปรับให้พอดีกับขนาดและการกำหนดค่าต่างๆ ทำให้เหมาะสำหรับการใช้งานทั้งขนาดเล็กและขนาดใหญ่ สายการประกอบและระบบสายพานลำเลียงอัตโนมัติ ซึ่งจำเป็นต้องมีการเคลื่อนไหวที่แม่นยำ ตัวลดเกียร์ฮาร์มอนิกรูตรงกลางมักจะถูกรวมเข้ากับแขนหุ่นยนต์และเครื่องจักร CNC ซึ่งให้ความแม่นยำและการควบคุมที่จำเป็น SHG Hat Type Harmonic Drive มักใช้ในอุปกรณ์ทางการแพทย์และอุปกรณ์การบินและอวกาศ ซึ่งความน่าเชื่อถือและประสิทธิภาพเป็นสิ่งสำคัญที่สุด คำถามที่พบบ่อย ตัวลดฮาร์มอนิกคืออะไรและทำงานอย่างไร ตัวลดฮาร์มอนิกคือกลไกเกียร์ประเภทหนึ่งที่ใช้ร่องฟันที่ยืดหยุ่นเพื่อถ่ายโอนการเคลื่อนไหวด้วยความแม่นยำสูง ประกอบด้วยองค์ประกอบหลัก 3 ส่วน ได้แก่ เส้นโค้งวงกลมแบบแข็ง เส้นโค้งแบบยืดหยุ่น และเครื่องกำเนิดคลื่น เครื่องกำเนิดคลื่นทำให้ร่องฟันที่ยืดหยุ่นเสียรูปเล็กน้อย ช่วยให้หมุนได้อย่างแม่นยำโดยไม่ต้องใช้เกียร์แบบเดิม การออกแบบนี้ส่งผลให้มีความแม่นยำสูงและมีฟันเฟืองน้อยที่สุด เหตุใดตัวลดฮาร์มอนิกจึงมีความสำคัญในหุ่นยนต์อุตสาหกรรม ในหุ่นยนต์อุตสาหกรรม ตัวลดฮาร์มอนิกใช้เพื่อควบคุมการเคลื่อนไหวของข้อต่อและแขนของหุ่นยนต์ ความแม่นยำสูงและระยะฟันเฟืองต่ำทำให้เหมาะสำหรับการใช้งานที่ต้องการตำแหน่งที่แน่นอนและการเคลื่อนไหวที่ราบรื่น สิ่งนี้ทำให้มั่นใจได้ว่าหุ่นยนต์สามารถทำงานที่ซับซ้อนได้อย่างสม่ำเสมอและเชื่อถือได้ เครื่องแกะสลักลดฮาร์มอนิกมีประโยชน์อย่างไร? ในเครื่องแกะสลัก ตัวลดฮาร์มอนิกช่วยให้มั่นใจได้ว่าเครื่องมือแกะสลักจะเคลื่อนที่ด้วยความแม่นยำและความเสถียรสูง ผลลัพธ์ที่ได้คืองานแกะสลักที่มีรายละเอียดและมีคุณภาพสูง แม้บนพื้นผิวที่ซับซ้อน ขนาดกะทัดรัดและการออกแบบที่มีประสิทธิภาพของตัวลดยังช่วยให้รวมเข้ากับการตั้งค่าเครื่องจักรที่มีอยู่ได้ง่ายขึ้น ตัวลดฮาร์มอนิกสามารถใช้งานร่วมกับเครื่องจักรประเภทต่างๆ ได้หรือไม่ ใช่ ตัวลดฮาร์มอนิกได้รับการออกแบบมาให้เข้ากันได้กับอุปกรณ์อุตสาหกรรมหลายประเภท สามารถปรับให้พอดีกับขนาดและการกำหนดค่าต่างๆ ทำให้เหมาะสำหรับการใช้งานทั้งขนาดเล็กและขนาดใหญ่ ข้อดีของการใช้ตัวลดฮาร์มอนิกคืออะไร? ข้อดี ได้แก่ ความแม่นยำสูง ฟันเฟืองน้อยที่สุด การออกแบบที่กะทัดรัด การทำงานที่เงียบ และอายุการใช้งานที่ยาวนาน คุณสมบัติเหล่านี้ทำให้เหมาะสำหรับการใช้งานที่ต้องการการควบคุมการเคลื่อนไหวที่แม่นยำและเชื่อถือได้ ตัวลดฮาร์มอนิกเปรียบเทียบกับตัวลดประเภทอื่นอย่างไร
ตัวลดเกียร์ฮาร์มอนิกและฮาร์มอนิกไดรฟ์แบบหมวก SHG พบการใช้งานอย่างกว้างขวางในอุตสาหกรรมต่างๆ เช่น หุ่นยนต์ เครื่องจักรกลซีเอ็นซี อุปกรณ์ทางการแพทย์ และการผลิตเซมิคอนดักเตอร์ ในวิทยาการหุ่นยนต์ พวกมันถูกใช้ในแอคชูเอเตอร์ร่วมเพื่อให้การเคลื่อนไหวราบรื่นและแม่นยำ ในเครื่องจักร CNC ช่วยให้ได้ตำแหน่งที่แม่นยำและความแม่นยำในการตัด ในอุปกรณ์ทางการแพทย์ ช่วยให้การทำงานที่เชื่อถือได้และปลอดภัยในการใช้งานที่สำคัญ ความอเนกประสงค์ทำให้เป็นตัวเลือกที่ดีสำหรับวิศวกรและนักออกแบบที่กำลังมองหาโซลูชันการควบคุมการเคลื่อนไหวที่มีประสิทธิภาพสูง ความคิดเห็นของผู้ใช้เน้นย้ำถึงความน่าเชื่อถือและประสิทธิภาพของระบบขับเคลื่อนฮาร์มอนิกเหล่านี้ ผู้เชี่ยวชาญหลายคนชื่นชมความสามารถในการส่งมอบประสิทธิภาพที่สม่ำเสมอภายใต้สภาวะโหลดที่แตกต่างกัน ความง่ายในการติดตั้งและการบำรุงรักษายังถูกกล่าวถึงบ่อยครั้ง เนื่องจากการออกแบบแบบโมดูลาร์ทำให้สามารถเปลี่ยนหรือปรับเปลี่ยนได้อย่างรวดเร็วโดยไม่ต้องมีการยกเครื่องระบบครั้งใหญ่ ผู้ใช้ชื่นชมการผสมผสานระหว่างความแม่นยำ ความทนทาน และประสิทธิภาพที่นำเสนอโดยชุดเกียร์เหล่านี้ ทำให้เป็นส่วนเสริมที่มีคุณค่าสำหรับระบบอัตโนมัติใดๆ คำถามทั่วไปเกี่ยวกับฮาร์มอนิกไดรฟ์เหล่านี้มักเกี่ยวข้องกับความเหมาะสมสำหรับการใช้งานเฉพาะ ข้อกำหนดในการบำรุงรักษา และความเข้ากันได้กับระบบที่มีอยู่ สิ่งสำคัญที่ควรทราบคือแม้ว่าชุดเกียร์เหล่านี้จะปรับเปลี่ยนได้สูง แต่การเลือกที่เหมาะสมโดยพิจารณาจากน้ำหนักบรรทุก ความเร็ว และสภาพแวดล้อมถือเป็นสิ่งสำคัญเพื่อประสิทธิภาพสูงสุด การบำรุงรักษาตามปกติ รวมถึงการหล่อลื่นและการตรวจสอบ ช่วยยืดอายุการใช้งานและรับประกันความน่าเชื่อถืออย่างต่อเนื่อง โดยรวมแล้ว ชุดเกียร์ฮาร์มอนิกศูนย์กลางแบบเปิด ตัวลดเกียร์ฮาร์มอนิกรูกลาง และไดรฟ์ฮาร์มอนิกประเภทหมวก SHG แสดงถึงแนวทางที่ซับซ้อนสำหรับเทคโนโลยีควบคุมการเคลื่อนไหว ด้วยการออกแบบขั้นสูง ประสิทธิภาพสูง และการนำไปใช้งานในวงกว้าง พวกเขายังคงมีบทบาทสำคัญในความก้าวหน้าทางอุตสาหกรรมและเทคโนโลยีสมัยใหม่ ไม่ว่าจะใช้ในเครื่องจักรที่มีความแม่นยำ ระบบอัตโนมัติ หรืออุปกรณ์พิเศษ ไดรฟ์ฮาร์มอนิกเหล่านี้นำเสนอโซลูชันที่เชื่อถือได้และมีประสิทธิภาพสูงสำหรับการใช้งานที่หลากหลาย 